解析电动车充电器高效稳定充电方案:电路图设计与工作原理详析
- 问答
- 2025-11-08 08:52:50
- 232
(引用来源:电力电子技术教材,开关电源设计手册,电动车充电器技术规范)
电动车充电器的核心目标是将来自家庭插座或充电桩的交流电,安全、高效地转换为电动车电池组所需的直流电,一个高效稳定的充电方案,其电路设计通常遵循一个清晰的主干流程,我们可以将其想象成一条精密的加工流水线。
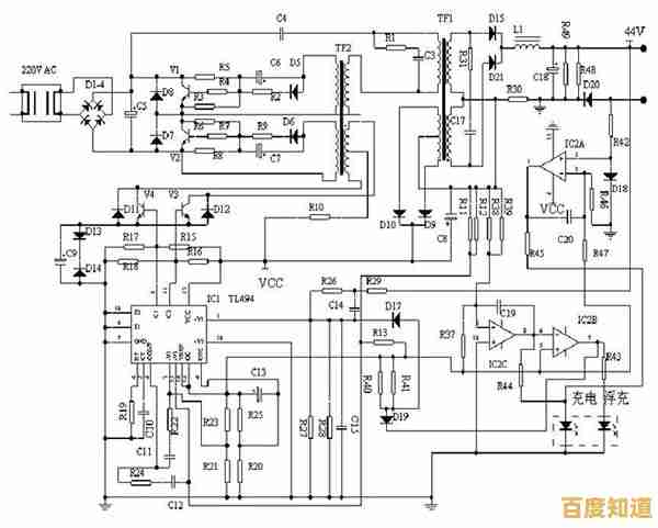
电流进入充电器,遇到的第一个关键模块是电磁干扰滤波器,家庭电网的交流电并不纯净,夹杂着各种高频杂波,同时充电器自身工作时也会产生电磁噪声回馈到电网,干扰其他电器,这个滤波器就像一个“净化筛”,由电感和电容组成(引用来源:开关电源设计手册,EMC设计部分),它的作用是双向过滤:既阻止电网的杂波进入充电器内部,也防止充电器产生的噪声污染电网,这是保证充电器稳定工作和符合电磁兼容法规的第一步。
净化后的交流电接下来进入整流环节,这部分由一个整流桥堆完成,它的作用非常直观,就像一道“单向阀门”,将正负交替变化的交流电,强行“掰直”成一个方向,但此时得到的还是一种脉动的、像连绵起伏小山包一样的直流电,被称为脉动直流电(引用来源:电力电子技术教材,整流电路章节)。
接下来是提升效率的关键步骤——功率因数校正电路,在简单的充电器中,整流后直接是一个大电容进行滤波,但这会导致电流波形严重畸变,产生很大的无功功率,使得充电器对电网的利用效率低下,通俗说就是“费电”还可能影响电网质量,PFC电路(引用来源:电动车充电器技术规范,能效要求部分)就像一个“智能调度员”,通过主动控制电流的输入波形,使其紧紧跟随电压波形的变化,将功率因数从0.5-0.6提升到0.9以上,这意味着充电器从电网汲取电能的效率大大提升,减少了能量浪费,也减轻了电网负担,这是现代高效充电器不可或缺的一部分。
经过PFC校正后的直流电电压已经比较平稳,但通常仍然高于电池组所需的电压,核心的“变压和稳压”环节——开关电源主电路开始工作,这个部分通常采用高频开关技术,其核心是一个开关管(如MOSFET)和一个高频变压器,开关管在控制芯片的驱动下,以每秒数万次甚至更高的频率高速导通和关断(引用来源:开关电源设计手册,DC-DC变换器拓扑),它将直流电“切割”成一段段高频方波,然后通过高频变压器进行降压,由于频率极高,变压器可以做得非常小巧,这正是充电器能够实现小型化的原因,变压器降压后的高频交流电,再经过次级整流二极管和滤波电容,最终转换成了电池需要的平滑、稳定的低压直流电。
开关管的开关动作需要精确的指挥,这就是控制与反馈电路的作用,这个系统如同整个充电器的“大脑和神经系统”,它通过采样电阻实时监测输出给电池的电压和电流,并将这些信息反馈给PWM控制芯片,控制芯片将反馈值与内部设定的精确值(例如54.6V对于48V电池组)进行比较(引用来源:电力电子技术教材,反馈控制理论),如果输出电压因负载变化而偏高或偏低,芯片会立即调整输出给开关管的PWM信号的占空比(即一个周期内导通时间与周期的比值),从而调整能量传递的多少,实现精准的稳压输出,当需要恒流充电时,芯片就通过调整占空比来保证输出电流恒定。
为确保绝对安全,充电器还集成了多重保护电路(引用来源:电动车充电器技术规范,安全要求部分),这包括:
- 过流保护:当输出短路或电流异常增大时,迅速切断输出,防止烧毁器件。
- 过压保护:万一反馈系统失灵导致输出电压过高,保护电路会动作,避免损坏昂贵的电池。
- 过热保护:在充电器内部温度超过安全阈值时(通常通过热敏电阻检测),自动停止工作,待冷却后再恢复,防止火灾风险。
一个高效稳定的电动车充电器,是通过EMI滤波、整流、PFC校正、高频开关变换、精密反馈控制以及多重保护电路这一系列环节的协同工作,共同完成了将粗犷的市电转化为电池所能接受的“精细粮草”的任务,其电路图设计正是围绕这些功能模块展开,每一个部分都为实现高效、稳定、安全这三个核心目标而服务。

本文由第乐双于2025-11-08发表在笙亿网络策划,如有疑问,请联系我们。
本文链接:https://xlisi.cn/wenda/74456.html
